進芯面向車載熱管理的電子風扇無感FOC驅動方案
隨著汽車電氣化架構的演進與智能熱管理需求的提升,電子風扇正從傳統的機械驅動向高精度、高響應、可通信的電機驅動系統轉型。作為整車熱管理中的關鍵執行部件,其控制性能直接影響散熱效率、系統可靠性與整車能耗。在這一趨勢下,集成化、低噪聲、具備智能診斷能力的電機驅動方案成為行業發展的明確方向。
針對當前車載電子風扇普遍采用小功率無刷直流電機驅動的市場需求,進芯電子推出了適用于400W-1000W功率段的12V電子風扇整體解決方案。該方案采用PWM/LIN通信接口實現調速與故障診斷反饋,支持單電阻或雙電阻電流采樣的正弦波驅動架構,具備先進的噪聲抑制算法、順逆風自適應啟動能力,兼具電路簡潔、控制穩定、系統成本優化等綜合優勢。方案核心控制單元采用進芯電子自主研發的ADM32F036A3Q車規級數字信號處理器(DSP)。

ADM32F036A3Q簡介
ADM32F036A3Q 是面向電機控制的 32 位 DSP 車規級改進型,集成 LDO、電荷泵和 6NMOS 預驅,搭載 100M 主頻 32 位 DSP 處理核+CLA,增強型控制外設,CAN、CANFD、LIN(帶收發器)、SPI、HRCAP 模塊,12 位 ADC,電壓比較器、溫度傳感器;可構成高集成度電機控制驅動核心,直接驅動功率管完成電機控制,支持有感、無感、方波、弦波等多模式。
下表是ADM32F036A3Q電機控制方面的資源簡介:
主頻 | 100MHz+CLA |
存儲資源 | 36KB SARAM、128KB Flash、 16KB BootROM |
通訊接口 | CAN/CANFD、SPI、LIN控制器+收發器 |
外設 | 六路NMOS Pre-Driver,高側 VCP 供電,無需額外自舉電路,低側 VGL 供電,帶 GDF、VDS、OTP 故障保護,3 個 32 位定時/計數器,5 個 16 位定時/計數器,2 路 PWM 輸出, 1 個捕獲單元 |
模擬外設 | OPA+2PGA+3比較器+溫度傳感器 |
電機驅動方式 | 有感/無感方波 有感/無感弦波 |
封裝 | QFN56 封裝 |
▲ ADM32F036A3Q電機控制相關資源
同時, ADM32F036A3Q支持JTAG在線仿真,支持串口SCI方式的最低僅需四線的快速燒錄模式。以下為ADM32F036A3Q芯片引腳定義排布圖:

▲ 芯片引腳定義排布圖
ADM32F036A3Q應用優勢
ADM32F036A3Q是一款高度集成的高性能BLDC/PMSM控制器,封裝為QFN56,通過AEC-Q100車規認證。用戶在設計電機控制系統時可實現最優的性價比,ADM32F036A3Q內部集成了六路 NMOS Pre-Driver,電荷泵,運算放大器,PGA,比較器,高速ADC,CAN/CANFD,SCI,SPI和LIN控制器+收發器等模塊。同時,采用高性能32位CPU,內嵌 128KB Flash, 最高工作頻率為100MHz,可滿足高性能無刷電機控制的應用要求,并簡化系統硬件成本。適用于BLDC/PMSM電機方波、SVPWM/SPWM、FOC 驅動控制。
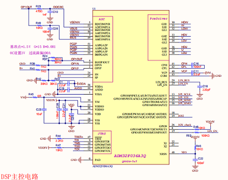
硬件模塊介紹
電路模塊主要包括: 輸入防反(預留高邊防反參考電路)及濾波電路部分、ADM32F036A3Q最小系統、功率橋電路、ADC母線電壓采樣電路、單電阻采樣運放采樣電路、和PWM/LIN通訊反饋電路。
? 輸入防反及濾波電路部分
輸入通過N管,實現防反功能(灰色部分是參考的高邊防反電路),加上Π型濾波電路,減少噪聲或干擾信號。

▲ 防反母線電路
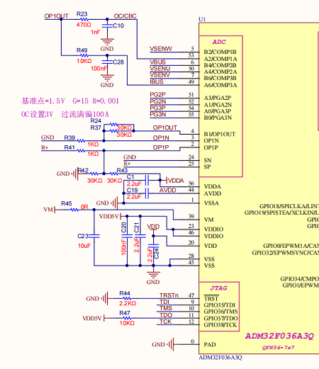
? ADM32F036A3Q最小系統
ADM32F036A3Q最小系統如下圖所示,包含JTAG接口、SPI、LIN/PWM輸入、點火喚醒電路模塊等。
系統自帶的運放OPA可以通過外圍電阻配置為差分模式用于母線電流采樣,運放的輸出結果OP1OUT可接至COMP1 做硬件過流保護,COMP1內部可以設置不同的比較電平,一旦觸發閾值,可直接封鎖PWM信號。
當需要離線燒錄程序時,通過GPIO19、GPIO32還有VDDIO和GND信號測試焊盤,借助進芯的離線燒錄工具可實現快速的脫機燒錄。



▲ 芯片及接口原理圖
? 功率橋電路
功率橋電路采用上下管均為NMOS的配置,總計6個NMOS組成三相半橋驅動電路。
單采樣電阻0.001R,通過差分走線至ADM32F036A3Q的OP1的獨立運放電路進行運放輸入到芯片口采樣進行運算。

▲ 功率橋電路原理圖
? ADC母線電壓采樣電路
母線電壓采樣電路,通過電阻分壓送到芯片AD口,參與運算。

▲ ADC母線電壓采樣原理圖
? 單電阻采樣運放采樣電路
通過內部獨立運放OP1組進行差分運放15倍,送到A2口用做過流保護。

▲ 運放部分電路
? 電荷泵電路
集成的電荷泵無需外部自舉電路,能提供 100%占空比支持。

▲ 電荷泵電路部分
? PWM/LIN通訊反饋電路
外部輸入PWM/LIN信號,通過芯片內部集成的LIN收發器模塊實現PWM/LIN通訊反饋和通過LIN_BUS和LIN_EN進行遠程休眠喚醒功能。

▲ PWM/LIN通訊電路
方案描述
采用單電阻弦波,電路簡單,成本低。無感FOC,功率閉環、速度閉環。各項保護齊全(過欠壓、VDS、GDF、過流、堵轉、缺相、功率)等特點。

▲ 400W ▲ 1000W
產品參數
電機轉速:2500轉/分鐘
電壓:DC13.5V
功率:400W/1000W
多種保護措施:VDS、GDF、過流保護、短路保護、過壓保護、欠壓保護、堵轉保護、缺相保護、功率保護、啟動保護等。
本方案使用無感單電阻FOC算法,母線電壓ADC檢測,通過PWM/LIN進行控制不同的轉速及故障反饋功能。擁有順逆風啟動,噪聲小,波形控制穩定等特點。
技術支持
進芯電子可為客戶提供以上方案的原理圖、PCB參考板圖、源代碼、以及方案所對應的軟硬件開發技術支持,需進一步了解方案詳情,歡迎致電0731-88731027。

CN
EN

